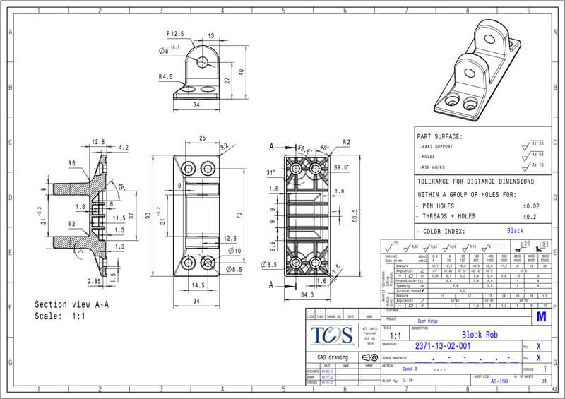
Nieuwe ontwerpen in 2D en 3D CAD
tekensoftware en Modelling in 3D zijn mogelijk
Outsourcing bestaat niet alleen uit het produceren van uw product. Onze dienstverlening gaat verder: samen met u beoordelen we het product nauwkeurig. Vaak resulteert een kritische analyse in het toepassen van andere en betere productietechnieken, die ook nog eens een flinke besparing kunnen opleveren, in overleg met u proberen wij dit door middel van engineering te bewerkstelligen.
Mocht het om nieuwe ontwerpen gaan, dan kunnen wij met behulp van 2D of 3D CAD tekensoftware uw idee nader uitwerken. Ook hebben wij de mogelijkheid tot het doen van sterkte analyses om uw product verder te optimaliseren.
Door middel van engineering en uitbesteding proberen wij uw product zo voordelig mogelijk te maken met behoud van kwaliteit en functionaliteit.
Ook het optekenen in 2D of 3D Cad van bestaande producten of machines is mogelijk binnen ons netwerk van leveranciers.
Modelling / Engineering in 3D mogelijk
TOS Outsourcing beschikt over de nieuwste 3D printer, waardoor wij nog een stapje verder kunnen gaan met engineering en tastbare/functionele modellen kunnen printen. Zeker bij matrijsdelen is het interessant om functionele test prints te kunnen maken om zo zeker te zijn dat het product juist is alvorens aan de matrijs te beginnen.
Voor- en nadelen van aluminium spuitgieten
- Zeer nauwkeurige productiemethode
- Hoge productiesnelheid, dus zeer geschikt voor grote serieproducties
- Aluminium onderdelen zijn geschikt voor veel verschillende doeleinden
- Hoge initiële kosten: productie van matrijs voor aluminium spuitgieten is kostbaar precisiewerk









